Kérdés esetén keressen minket bizalommal:
+36-1-276-2914
szuperszij@szuperszij.hu
HU
EN
DE
Ft (HUF)
EUR
Szezonális akciók
Termékek
EPDM öntapadós tömítőszalagok
Hajtószíjak
Barkácsgép PU szíjak
Ékszíjak
Fűnyíró észíjak
Hatszögletű ékszíjak
Hosszbordás szíjak
Keresztbordás szinkronszíjak - Fogasszíjak
Lapszíjak, szállítószalagok
További kategóriák
Tárcsák
Ékszíjtárcsák
Fogasrudak
Kúpos szorítóhüvelyek
Szinkronszíj tárcsák
Tömlők
Hűtőtömlők
Olajtömlők
Préslégtömlők
Víz és Levegő tömlők
Elszívótömlők
Kopásálló tömlők
Szilikontömlők
További kategóriák
Tömlő tartozékok
Bilincsek
Tömlőcsatlakozók
Tömlőtoldók, tömlőelágazók
Tömlővégek
Gumilemezek
Általános gumilemezek
Csúszásgátló gumilemezek- Autószőnyegek
Elektromos szigetelő gumilemez
Olajálló gumilemezek
Hő-fagy-sav és lúgálló (EPDM) gumilemezek
Élelmiszeripari gumilemezek
Szilikon gumilemezek
További kategóriák
Golyóscsapágyak
Tömítések
Gumizsinórok
Habosított tömítőszalagok
Profilos tömítések
Tömítőlemezek
Gumibakok
Átmenőfuratos gumibakok
Hengeres gumibakok
Parabolikus gumibakok
Rámpaütközők
Műszaki műanyagok
Egyéb műszaki műanyagok
Poliamid (PA) anyagok
Polioximetilén (POM) anyagok
Textilbakelit, papírbakelit, anyagok
Egyéb termékek
Autószőnyeg szettek
Lábtörlők, szennyfogó szőnyegek, álláskönnyítő szőnyegek
Hőfüggönyök
Porvédő gumiharangok, gumiharmónikák
Leszorító gumifülek
Kerekek
O gyűrű készletek
További kategóriák
Szolgáltatások
Hírek
Katalógusok
Termékismertetők
Letölthető katalógusok
Adatlapok
Laposszíj ajánlatkérő adatlap
Szállítószalag ajánlatkérő adatlap
Rólunk
Kapcsolat
Webáruház
Termékek
Tömítések
Profilos tömítések
Szélvédő keretek és feszítő profilok
Szélvédő keret 5010 / Fekete
Kérje ajánlatunkat a "SEGÍTHETÜNK?" gombbal!
Segíthetünk?
Részletek
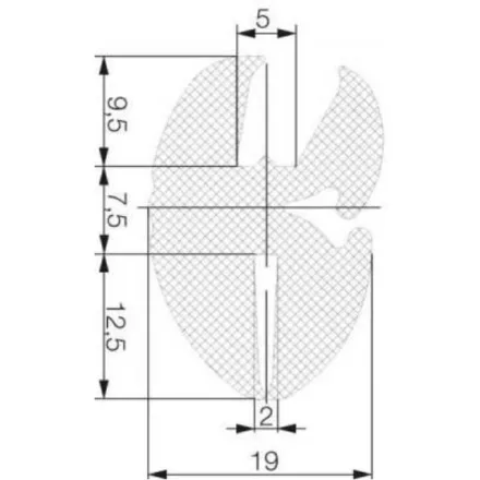
EPDM szélvédő keret/Fekete/Fekete / 65 ± 5 ShA / 1,3 g/cm3
Adatok
Gyártó
EPDM
Megjegyzés
Keménység = 65 ShA / Sűrűség = 1,3 g/cm3
Cikkszám
SZELVEDO-5010-01
Tömeg
10 g/méter
Vélemények
Legyen Ön az első, aki véleményt ír!
Véleményt írok
Hasonló termékek
Szezonális akciók
444626|322744
Termékek
224474|322744
Szolgáltatások
9999999930300|0
Hírek
9999999400172|0
Katalógusok
9999999902439|0
Adatlapok
9999999892493|0
Rólunk
9999999651981|0
Kapcsolat
HU
EN
DE
Ft (HUF)
EUR
A kosár üres.
Vásárláshoz kattintson ide!
Belépés
Email
Jelszó
Belép
Elfelejtettem a jelszavamat
Regisztráció
Adatkezelési beállítások
Weboldalunk az alapvető működéshez szükséges cookie-kat használ. Szélesebb körű funkcionalitáshoz (marketing, statisztika, személyre szabás) egyéb cookie-kat engedélyezhet. Részletesebb információkat az
Adatkezelési tájékoztató
ban talál.
Nem engedélyezem
Engedélyezem